Новое в системе Wolfram
Mathematica
8: Интегрированный дизайн систем управления
◄
предыдущая
|
следующая
►
Прикладные области
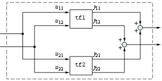
Параллельное соединение двух систем
Получение эквивалентной модели "вход/выход" путём параллельного соединения двух систем.
In[1]:=
X
tf1 = TransferFunctionModel[{{s/(s^2 + 5), (3 s)/(s + 2)}, {(s + 1)/( s + 2), 2/s}}, s]; tf2 = TransferFunctionModel[{{10/(s + 1), 0}, {0, 5/(s + 3)}}, s]; SystemsModelParallelConnect[tf1, tf2]
Out[1]=