Новое в системе Wolfram Mathematica 9  предыдущая  |  следующая 
Новое в системе Wolfram Mathematica 9Расширенная функциональность систем управления

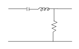
Управление колебательным контуром, моделируемым дескрипторной системой 

Следующий колебательный контур, состоящий из катушки, конденсатора и резистора можно легко смоделировать, начиная с уравнений для компонент с помощью дескрипторной модели в пространстве состояний.

In[1]:=
Click for copyable input
X
In[2]:=
Click for copyable input
X
Out[2]=
In[3]:=
Click for copyable input
X
Out[3]=

Величину отклика системы на рабочей частоте необходимо уменьшить.

In[4]:=
Click for copyable input
X
In[5]:=
Click for copyable input
X
Out[5]=

Найдём регулятор, который приведёт к размещению полюсов системы с обратной связью в заданные символьные положения.

In[6]:=
Click for copyable input
X

Найдём отклики в случае, когда полюса смещены с начала координат в направлении каждой оси координат.

In[7]:=
Click for copyable input
X
Out[7]=
In[8]:=
Click for copyable input
X

Смещение полюсов влево по действительной оси, либо от действительной оси приводит к уменьшению величины отклика.

In[9]:=
Click for copyable input
X
Out[9]=