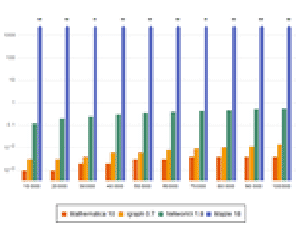
Modele grafos e redes com multigrafos e grafos mistos
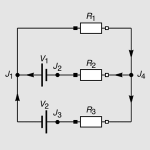
Grafos mistos podem ser utilizados para modelar um cronograma que tenha tanto incompatibilidade, representada por arestas não direcionadas, quanto limitações de precedência, representadas por arestas direcionadas.
![]() |
![]() |

