Áreas de Aplicação

Projeto de Sistemas de Controle Integrado

O Mathematica 8 oferece um conjunto completo de funcionalidades incorporadas para analisar, projetar e simular sistemas de controle contínuos ou discretos tanto com técnicas clássicas quanto modernas. A poderosa máquina de computação simbólica e numérica do Mathematica facilita o uso de soluções analíticas para estudar relações entre elementos de projeto, e dá informações valiosas sobre o comportamento de sistemas de controle complexos. Com precisão numérica de qualquer ordem, seleção automática de algoritmos, e visualizações avançadas, o Mathematica 8 é ideal para construir e analisar sistemas de controle, documentar decisões de projeto e testar controles de maneira interativa — tudo em uma única plataforma.

  • Funções para construir modelos de estado-espaço e função de transferência de uma forma natural e de fácil conversão entre si.
  • Construção de modelos de estado-espaço linearizados de sistemas descritos por equações diferenciais.
  • Conversão entre modelos de tempo contínuo e discreto usando uma grande seleção de algoritmos.
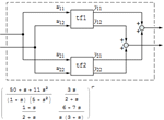
  • Modele conexões e manipulações, como seleção e exclusão de subpartes, colocar conjuntos de sistemas em cascata, construir interconexões de subsistemas, e muito mais.
  • Coleções de ferramentas de resposta de frequência como gráfico de Bode, Nyquist, Nichols, e valor único para ajudar na análise de projeto de sistema.
  • Habilidade de analisar modelos de espaço-estado e converter entre diferentes realizações, incluindo Kalman, Jordan, balanceada e outras formas.
  • Ampla seleção de algoritmos de retorno de projeto, como atribuição robusta de polo e controle ótimo linear-quadrático.
  • Funções de simulação para determinar o estado e a saída de respostas de sistemas de circuito aberto e fechado.
  • Capacidade de resolver equações de Riccati e Lyapunov incorporada.
Especifique modelos de sistemas lineares, que não variem com o tempo de forma natural »Conecte dois sistemas em paralelo »Analise o comportamento de um sistema interativamente »
Determine a estabilidade de um sistema usando funções incorporadas »Visualize a estabilidade relativa de sistemas »Estude a frequência de resposta de sistemas de múltiplas variáveis »
Construa reguladores e observadores para sistemas »Simule a resposta de modelos de estado-espaço ou da função de transferência »Construa um filtro de Kalman para um sistema escolástico »
en es ja ko ru zh